Частотный преобразователь
Drive-200-7.5-220V-380V


Функциональное описание:

Преобразует переменное напряжение из одной фазы 220В в три фазы 380В для асинхронных электродвигателей.

Основные функции:
- пуск, стоп, реверс, регулирование оборотов электродвигателя с встроенной панели оператора;
- скалярный и векторный режимы работы;
- управление работой частотного преобразователя с встроенной панели или управление с внешнего пульта управления ПДУ;
- задание времени ускорения и замедления.

Электрическое подключение

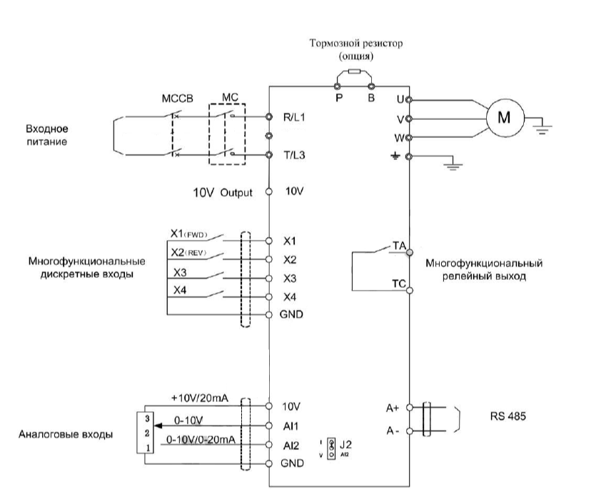
Смотрите электрическую схему подключения частотного преобразователя на изображении №4.

Напряжение питания 1 фаза 220В;
Выходное напряжение 3 фазы 380В.

Особенности

Подходит для применения в однофазных сетях жилых и коммерческих зданий, где требуется запитать оборудование на 380В.

Преимущества

Преобразует переменное напряжение из одной фазы 220В в три фазы 380В для асинхронных электродвигателей.

Применение

Пульт подойдет для частотных преобразователей вентиляторов, насосов, станков и т.д.
  • Артикул
    Drive-200-7.5-220V-380V
  • Мощность, кВт
    7,5
  • Напряжение сети, 1 фаза, В
    220
  • Выходное напряжение, 3 фазы, В
    380
  • Номинальный выходной ток, А
    20
  • Максимальная выходная частота, Гц
    600
  • Класс защиты корпуса
    IP20
  • Диапазон рабочих температур
    -10...+40
  • Дискретные входы, шт.
    4
  • Аналоговые входы, шт.
    1
  • Релейный выход, шт.
    1
  • Габаритные размеры (вхшхг), мм
    240х106х153
  • Комплектация
    преобразователь частоты, руководство по подключению и настройке на русском языке, упаковка
  • В наличии, шт.
    6
  • Оплата
    наличные, перевод на счет карты, банковский перевод
  • Доставка
    получение при встрече, почта России, транспортная компания

20000₽

24000
Добавить в корзину
Ваш заказ
  • image alt

    POWER Full 14

    POWER Full 14

    1000
  • image alt

    POWER Full 14

    POWER Full 14

    2000
3000

Нажимая на кнопку, вы даете согласие на обработку персональных данных

2